中文版
Tel : 0086-577-63775980 0577-63775986
E-mail : sales@globalfeipeng.com
XDQ003E L type washer system(24V)
XDQ013 IX type washer system(24V)
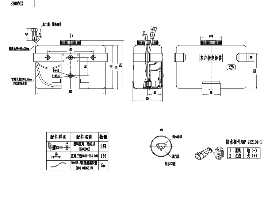
Subject : XDQ003F L type washer system(24V)
Learn more about our information products
Add : Sunlou Ind Zone,Wanquan Town,Pingyang County,Wenzhou City,Zhejiang Province,China
Domestic Trade : 0086-577-63775980
Foreign Trade : 0086-577-63775986
Online Message
Scan to wechat :
Home
products
Skype
WhatsApp